Didesnių projektų valdymui supaprastinti ir operatoriaus darbo palengvinimui, visada klientams siūlome sistemos valdymą ir atvaizdavimą perkelti į kompiuterį su SCADA programa.

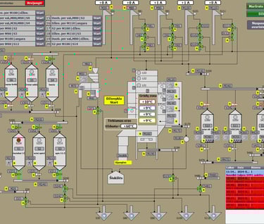
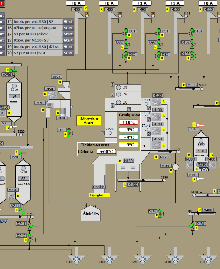
SCADA (Supervisory Control and Data Acquisition) sistema yra kompiuterizuota kontrolės sistema, skirta stebėti, valdyti ir kontroliuoti pramoninius procesus ar infrastruktūros sistemų veiklą. Tai plačiai naudojama pramonėje, energetikoje, transporto sektoriuje ir kitose srityse, kuriose reikalingas centralizuotas valdymas. Tokia sistema turi naudotojui draugišką vartotojo sąsają, kuri leidžia operatoriams valdyti ir stebėti procesus. Tai gali būti grafinė sąsaja (GUI), kuri rodo realaus laiko duomenis, vizualizacijas, alarmus ir kitą informaciją, reikalingą proceso valdymui.

Programuojant SCADA vizualizaciją, svarbu užtikrinti, kad vartotojai gautų aiškią ir intuityvią informaciją. Grafinis vartotojo sąsaja turi būti lengvai suprantama, o valdymo elementai - patogūs naudoti. Tai gali apimti skaitmeninius ir analoginius rodiklius, diagramas, grafikus, mygtukus ir pan.

Vienas iš svarbiausių aspektų programuojant SCADA vizualizaciją yra gebėjimas sukurti alarmų ir pranešimų sistemą. Tai leidžia operatoriams greitai pastebėti ir reaguoti į bet kokias nenormalias situacijas ar gedimus sistemoje.

Be to, SCADA vizualizacijos programavimas gali apimti ir duomenų archyvavimą bei analizę, kuris leidžia atlikti ilgalaikes tendencijų analizes, prognozes ir gerinti sistemos veikimą.

Svarbu paminėti, kad programavimas turi būti atliekamas atsižvelgiant į saugumo ir patikimumo standartus. SCADA sistemos dažnai naudojamos kritinėse infrastruktūrose, tokiuose kaip energetika, gamyba ir infrastruktūra, todėl būtina užtikrinti, kad jos veiktų patikimai ir saugiai.

Galų gale, SCADA vizualizacijos programavimas yra sudėtingas procesas, kuris reikalauja techninių žinių ir patirties automatikos srityje. Todėl svarbu pasitikėti patyrusiais specialistais, kurie sugebės sukurti efektyvų ir patikimą SCADA sistemos vizualizaciją, atitinkančią jūsų verslo poreikius.

SCADA
SCADA

SCADA vizualizacijos programavimas

Pagrindinės SCADA sistemos savybės ir privalumai:

  • Centralizuotas valdymas: SCADA suteikia galimybę stebėti ir valdyti įvairius procesus vienoje centralizuotoje sistemoje. Tai leidžia greitai reaguoti į pokyčius ir efektyviai priimti sprendimus.

  • Naudotojui draugiška sąsaja: Grafinė sąsaja (GUI) su realaus laiko duomenimis ir vizualizacijomis palengvina operatorių darbą, padeda suprasti ir valdyti sistemą. Tai sumažina klaidų riziką ir pagreitina sprendimų priėmimą.

  • Alarmų valdymas: SCADA gali rodyti įspėjimus bei pranešimus operatoriams apie esamas ar potencialias problemas procese. Tai leidžia greitai reaguoti į neatitikimus ir užtikrinti sistemos stabilumą.

Praktiška pramonėje: SCADA sistemos naudojamos įvairiose pramonės srityse, įskaitant energetiką, tra
Praktiška pramonėje: SCADA sistemos naudojamos įvairiose pramonės srityse, įskaitant energetiką, tra
realaus laiko duomenimis ir vizualizacijomis palengvina operatorių darbą, padeda suprasti ir valdyti
realaus laiko duomenimis ir vizualizacijomis palengvina operatorių darbą, padeda suprasti ir valdyti
uteikia galimybę stebėti ir valdyti įvairius procesus vienoje centralizuotoje sistemoje
uteikia galimybę stebėti ir valdyti įvairius procesus vienoje centralizuotoje sistemoje
Alarmų valdymas: SCADA gali rodyti įspėjimus bei pranešimus operatoriams apie esamas ar potencialias
Alarmų valdymas: SCADA gali rodyti įspėjimus bei pranešimus operatoriams apie esamas ar potencialias
  • Praktiška pramonėje: SCADA sistemos naudojamos įvairiose pramonės srityse, įskaitant energetiką, transportą ir kitas sektorius. Tai rodo jos universalumą ir pritaikomumą skirtingiems poreikiams.