Программирование визуализации SCADA


Практичность в промышленности: Системы SCADA используются в различных отраслях промышленности, включая энергетику, транспорт и другие секторы. Это демонстрирует их универсальность и адаптивность к различным потребностям.
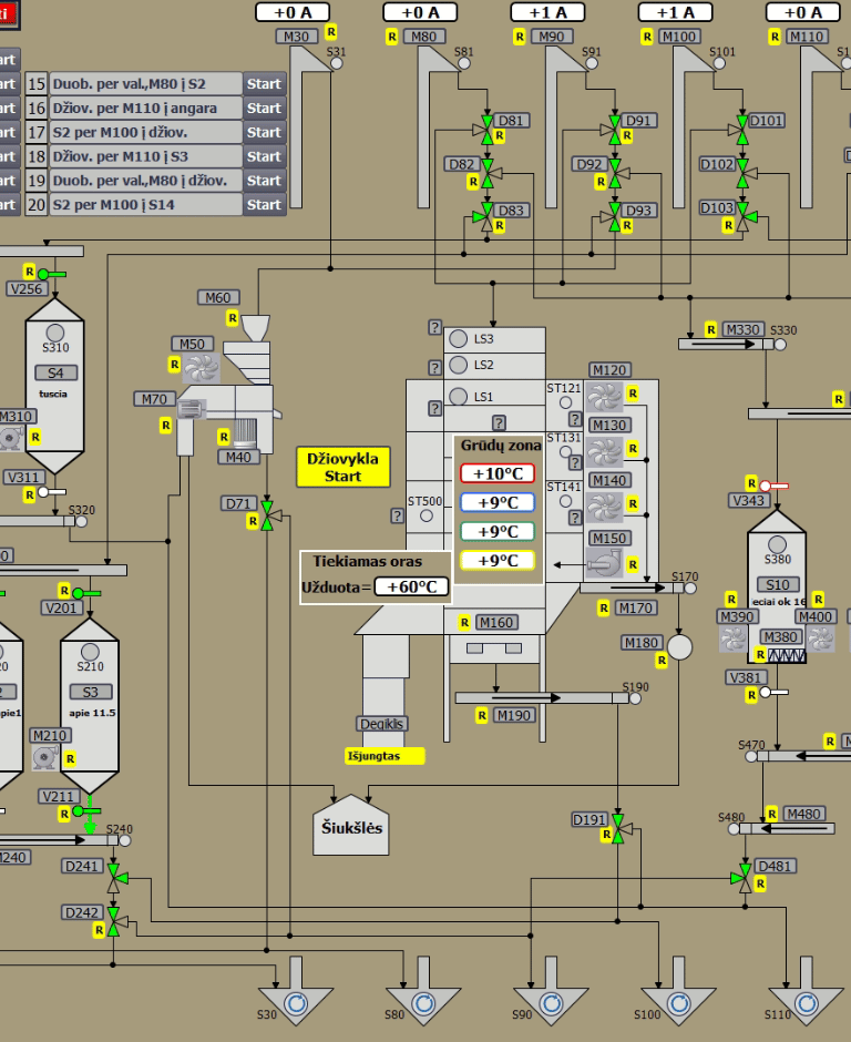
Централизованное управление: SCADA предоставляет возможность мониторинга и управления различными процессами в одной централизованной системе. Это позволяет быстро реагировать на изменения и эффективно принимать решения.
Пользовательский интерфейс: Графический пользовательский интерфейс (GUI) с данными в реальном времени и визуализациями упрощает работу операторов, помогает понять и управлять системой. Это снижает риск ошибок и ускоряет процесс принятия решений.
Управление тревогами: SCADA может отображать предупреждения и уведомления операторам о текущих или потенциальных проблемах в процессе. Это позволяет быстро реагировать на несоответствия и обеспечивать стабильность системы.
Основные характеристики и преимущества системы SCADA:
